
Polyuretanové silentbloky SuperPro jsou ideální volbou pro vylepšení nebo náhradu podvozkových dílů!
Vylepšete svůj vůz se SuperPro pro lepší výkon, přesnější geometrii a delší životnost podvozku.
SuperPro je přední světový výrobce aftermarketových silentbloků s více než 40 lety zkušeností. Oproti ostatním značkám má SuperPro výhodu díky vývoji, testování a výrobě přímo v Austrálii, což zaručuje vysokou kvalitu výroby i konstrukce a umožňuje vývoj pokročilých typů silentbloků. Silentbloky SuperPro vynikají kvalitou a spolehlivostí díky unikátní polyuretanové směsi, která byla za více než 40 let důkladně testována a vylepšována pro náročné australské podmínky. Na vývoji inovativních silentbloků se podílejí zkušení technici a inženýři, což zajišťuje špičkovou kvalitu a důkladné testování každého produktu.
Polyuretanové silentbloky SuperPro přinášejí řadu výhod, jako je správná nebo udržovaná geometrie řízení, lepší ovladatelnost, vyšší bezpečnost, rovnoměrnější opotřebení pneumatik, úspora paliva a zvýšený výkon. Kvalitu a preciznost zaručuje zkušený a specializovaný tým inženýrů SuperPro.
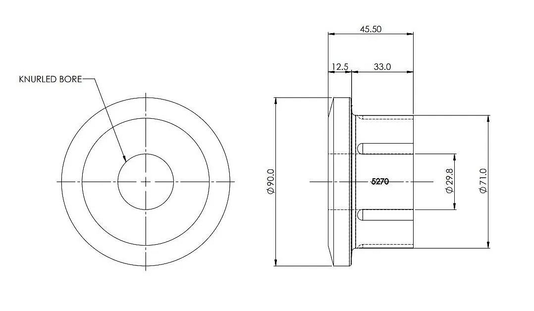
| root-description | Spring Front Eye Bush Kit |